|
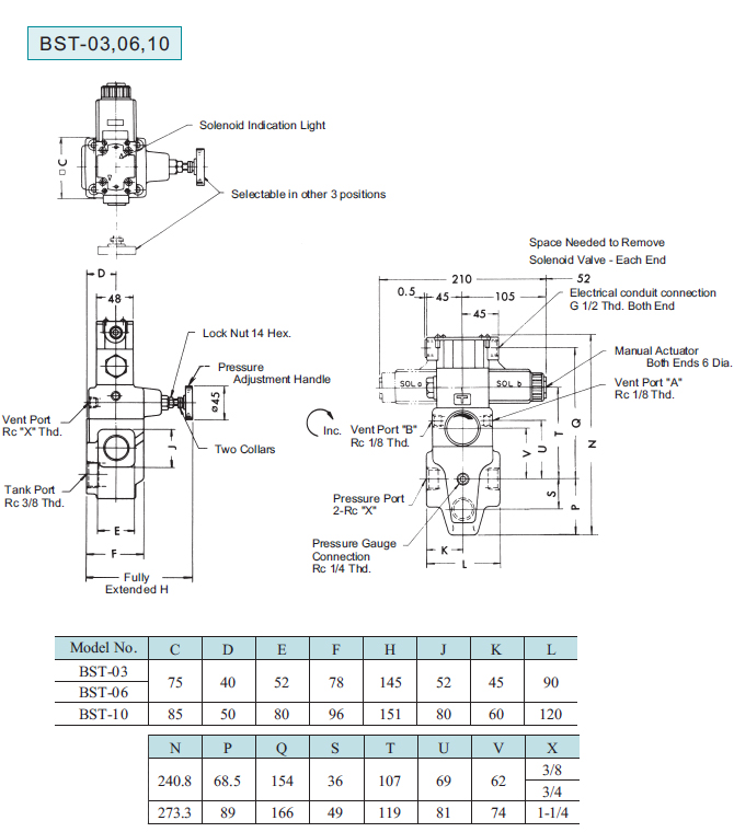
These valves are a combination of relief valve and solenoid valve. Piping between the two valves is eliminated as the solenoid valve is directly mounted on the relief valve and connected with the relief valve vent. Pump pressure may be unloaded remtely by an electrical signal to the solenoid, or by connecting the pilot relief valve to the solenoid valve ports.
Van an toàn điều khiển điện BST -03, van tràn điều khiển điện BST-06 , van an toàn điều khiển điện BST-10, van tràn thủy lực BSG-03, van an toàn BSG-06 , van giảm áp BSG-10
BSG-03-2B*-A.D-46T BSG-03-3C*-A.D-46T BSG-06-2B*-A.D-46T BSG-06-3C*-A.D-46T BSG-10-2B*-A.D-46T BSG-10-3C*-A.D-46T BST-03-2B*-A.D-46T BST-03-3C*-A.D-46T BST-06-2B*-A.D-46T BST-06-3C*-A.D-46T BST-10-2B*-A.D-46T BST-10-3C*-A.D-46T S-BSG-06-2B*-A.D-51T S-BSG-06-3C*-A.D-51T BSG-03-2B*-*-47 BSG-06-2B*-*-47 BSG-06-3C*-*-47 BSG-10-2B*-*-47 BSG-10-3C*-*-47 BST-03-2B*-*-47 BST-03-3C*-*-47 BST-06-2B*-*-47 BST-06-3C*-*-47 BST-10-2B*-*-47 BST-10-3C*-*-47 S-BSG-03-2B*-*-52 S-BSG-03-3C*-*-52 S-BSG-06-2B*-*-52 S-BSG-06-3C*-*-52 S-BSG-10-2B*-*-52 S-BSG-10-3C*-*-52

%E5%A3%93%E5%8A%9B%E6%8E%A7%E5%88%B6%E9%96%A5/05)%E9%9B%BB%E7%A3%81%E6%BA%A2%E6%B5%81%E9%96%A5/02_05_pic02_eng.jpg)
%E5%A3%93%E5%8A%9B%E6%8E%A7%E5%88%B6%E9%96%A5/05)%E9%9B%BB%E7%A3%81%E6%BA%A2%E6%B5%81%E9%96%A5/02_05_pic03_eng.jpg)
%E5%A3%93%E5%8A%9B%E6%8E%A7%E5%88%B6%E9%96%A5/05)%E9%9B%BB%E7%A3%81%E6%BA%A2%E6%B5%81%E9%96%A5/02_05_pic04_eng.jpg)
%E5%A3%93%E5%8A%9B%E6%8E%A7%E5%88%B6%E9%96%A5/05)%E9%9B%BB%E7%A3%81%E6%BA%A2%E6%B5%81%E9%96%A5/02_05_pic05_eng.jpg)
%E5%A3%93%E5%8A%9B%E6%8E%A7%E5%88%B6%E9%96%A5/05)%E9%9B%BB%E7%A3%81%E6%BA%A2%E6%B5%81%E9%96%A5/02_05_pic06_eng.jpg)
|